Nanjing Taidun guide breaks down the full ship berthing process using professional marine fender systems, highlighting the core role of these systems in absorbing kinetic energy and protecting both vessels and port infrastructure from impact damage. It covers the full step-by-step berthing workflow, the most common types of marine fender systems and their ideal use cases, essential components of a functional fender assembly, and proven best practices for safe, efficient berthing. The content is tailored for port operators, ship owners, marine engineers, and procurement teams searching for reliable fendering solutions, emphasizing the value of high-quality, certified systems in reducing operational risks, cutting repair costs, and boosting overall port productivity.
Nanjing Taidun focused guide breaks down the complete process for calculating mooring bollard load capacity, including preliminary vessel displacement sizing, industry-standard SLS/ULS/ALS formulas, site-specific adjustments, and common calculation errors. Aligned with BS 6349, PIANC, and OCIMF maritime standards, it helps engineers, port managers, and procurement buyers select safe, cost-effective mooring bollards to prevent structural failure, ensure regulatory compliance, and optimize port operations.
Nanjing Taidun provides a detailed side-by-side comparison of structural design, load capacity, installation, usage, materials and durability, paired with clear, practical guidance on ideal use cases for each fixture. The article also outlines critical purchasing mistakes to avoid and a high-conversion buyer inquiry checklist, helping port operators, shipbuilders and procurement teams make confident, cost-effective, compliant decisions.
Nanjing Taidun focused guide outlines the six most common marine mooring bollard problems, including saltwater corrosion, loose foundations, weld damage, bent posts, worn line surfaces and faded SWL markings, with clear, step-by-step troubleshooting and actionable quick fixes for port and ship maintenance teams. It emphasizes non-negotiable safety protocols, clearly differentiates between repairable faults and irreparable damage requiring full replacement, and provides a proactive maintenance checklist to prevent future failures.
Nanjing Taidun offered comprehensive, buyer-centric guide outlines the essential international standards, IACS classification society certifications and regional regulatory requirements for marine mooring bollards, tailored exclusively for procurement teams, port engineers, project buyers and marine infrastructure decision-makers. It stresses the non-negotiable role of full compliance in guaranteeing workplace safety, passing regulatory inspections, ensuring long-term durability and unlocking global market access, while also providing a step-by-step verification checklist to avoid unqualified suppliers and counterfeit products. The guide covers core global standards (ISO 13795, ISO 13797, BS 6349-4, DIN 82607) and top IACS certifications (ABS, DNV, LR, BV, CCS), explaining their specific market relevance and mandatory use cases across major global marine markets.
Nanjing Taidun provides a comprehensive comparison of the three core materials used for marine mooring bollards: ductile iron, cast steel and 316 marine-grade stainless steel. It breaks down each material’s mechanical properties, corrosion resistance, maintenance demands, cost structure and ideal application scenarios, with a clear side-by-side comparison table and actionable selection guidance for port managers, marina owners, procurement teams and marine engineers. The content aligns with international maritime standards, targets high-intent search users looking to purchase or select mooring bollards, and focuses on boosting click-through rates, industry exposure and customer inquiries by addressing core pain points and decision-making needs.
Nanjing Taidun Introduce to port managers, shipyard engineers, and marine installation teams, highlighting the most damaging rubber fender installation mistakes that cause equipment failure, costly downtime, and safety hazards. It details each error’s consequences, provides actionable fixes, and offers a step-by-step safe installation guide, with clear CTAs to drive supplier inquiries and support requests.
This 2026 ultimate guide targets port engineers, procurement managers and marine contractors, focusing on high-conversion marine rubber fender knowledge. It covers product definitions, core benefits, popular types with scenario comparisons, key selection specs, professional installation & maintenance tips, and FAQs for overseas buyers. It also highlights manufacturer advantages, custom services and clear call-to-actions to boost search exposure, click-through rates and inquiry conversion, helping readers pick durable, suitable berthing protection solutions efficiently.
Nanjing Taidun Introduce how premium, certified marine rubber fenders protected a major typhoon-prone port during peak storm season, eliminating critical infrastructure and vessel damage, minimizing operational downtime, and delivering massive cost savings. It highlights the unique engineering, weather resistance, and impact absorption capabilities of industrial-grade rubber fenders, positioning them as an essential investment for port operators facing severe coastal storms. The piece emphasizes real-world performance, safety benefits, and long-term ROI to drive qualified inquiries from port managers and maritime decision-makers.
Nanjing Taidun explores the critical, sector-specific applications of rubber fenders in shipyards, oil terminals, and container ports—three cornerstones of the global maritime industry. Rubber fenders act as a vital safety buffer, absorbing vessel berthing energy to protect infrastructure, prevent hull damage, and maintain operational efficiency. Shipyards rely on compact, versatile fenders for precision vessel construction; oil terminals use heavy-duty, oil-resistant fenders to mitigate high-risk hazards; and container ports deploy high-energy fenders to handle ultra-large vessels and non-stop logistics operations. Choosing the right fender type (cone, cell, drum, D-type, pneumatic) based on vessel size, environment, and layout ensures long-term safety, cost savings, and uninterrupted maritime operations.
Practical step-by-step guide breaks down the full rubber fender wear and tear inspection process into actionable, easy-to-follow stages, designed for maximum clarity and efficiency for maritime professionals. Starting with pre-inspection safety protocols and essential tool preparation, it covers 8 core inspection steps focused on spotting surface wear, cracks and ruptures, rubber aging, mounting hardware damage, permanent deformation, impact response testing and formal documentation. It also lists non-negotiable warning signs that demand immediate rubber fender replacement and shares proactive maintenance tips to extend fender lifespan. Built for port managers, dock technicians and vessel crews, this checklist enables early wear and tear detection, cuts long-term maintenance costs, eliminates unplanned operational downtime, and ensures consistent safety for port, dock and vessel berthing operations.
This cost-benefit analysis exposes the hidden financial risks of cheap rubber fenders, including frequent replacements, downtime, liability, and maintenance. Using a 10-year cost comparison, real-world examples, and a case study, it proves that high-quality fenders (compliant with ISO 17357) have a 70–80% lower total cost of ownership. The article concludes with actionable steps to choose fenders that pay for themselves, helping buyers make informed decisions that protect their profits.
Nanjing Taidun explains why high-quality rubber fenders are essential for docks, ports, and marinas—beyond just “protection.” It breaks down the hidden costs of low-quality fenders (frequent replacements, downtime, liability), details how poor fenders damage structures, outlines 5 key quality markers (materials, standards, design, testing, warranty), and uses a real-world case study to prove ROI. The goal? Help you make an informed choice that saves money and prevents costly disasters.
This comprehensive guide by **Nanjing Taidun Marine Equipment Engineering Co., Ltd** explores the **different kinds of anchors**, their functions, materials, and applications in modern marine engineering, highlighting innovation, sustainability, and vessel safety across global seas.
Nanjing Taidun provides a step-by-step framework to choose the right dock rubber fender—from calculating berthing energy to evaluating total cost of ownership. Backed by PIANC guidelines, case studies, and expert tips, it’s designed to help port operators, shipowners, and marine contractors make informed decisions that reduce costs, minimize downtime, and protect their assets.
Nanjing Taidun supply 7 actionable steps to control losses from fender system failures—from root cause analysis to contingency planning. Backed by industry standards (PIANC), case studies, and data, it’s a must-read for port operators, shipowners, and marine contractors looking to reduce costs, minimize downtime, and protect their bottom line.
Nanjing Taidun provides a comprehensive, actionable framework to minimize fender damage during vessel berthing—covering pre-planning, real-time monitoring, maintenance, and post-incident response. Backed by industry standards (PIANC), case studies, and pro tips, it’s designed to help port operators, shipowners, and marine contractors reduce costs, boost efficiency, and enhance safety.
Nanjing Taidun provides a granular, technical guide to preventing fender damage in port operations, covering advanced inspection techniques (drone/thermal imaging, IoT sensors), precision fender selection (energy absorption calculations, vessel/berth matching), crew training (VR simulations, standardized protocols), environmental controls (weather monitoring, debris management), and predictive analytics (AI models, digital twins). It includes real-world examples (Port of Rotterdam, Port of Los Angeles) and quantifiable results to demonstrate ROI.
Nanjing Taidun Marine Equipment Engineering Co.,Ltd excels as a Chinese OEM factory for big anchors, ship rubber fenders, and bollards, serving global manufacturers and wholesalers. This article explores big anchors' critical role, our innovative production, quality assurance, and synergies with fenders/bollards. Discover why our customizable big anchors dominate maritime security, with FAQs and success insights. (298 chars)
Nanjing Taidun provides a detailed, step-by-step guide to replacing rubber fenders on old piers. It covers pre-replacement assessment (specs, berthing requirements), an 8-step installation process (safety, removal, mounting, testing), and post-replacement maintenance. The goal is to help port operators upgrade safely, efficiently, and cost-effectively—turning aging infrastructure into reliable assets.
| Availability: | |
|---|---|

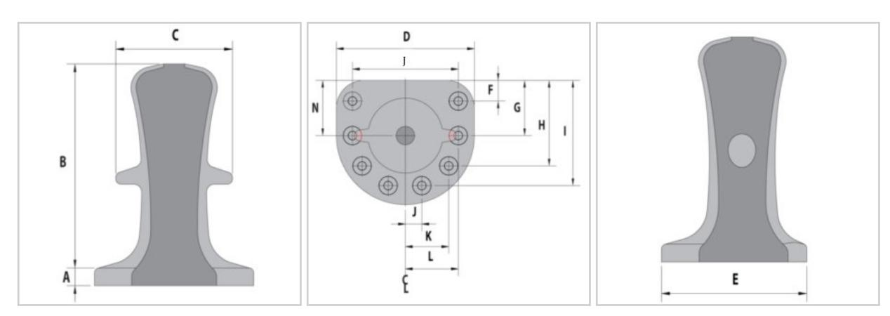
SWL (Ton) | Dimension(mm) | Bolts | ||||||||||
A | B | C | D | E | F | G | H | I | J | NO. | Dia. | |
10 | 44 | 390 | 224 | 325 | 284 | 46 | - | - | 205 | 234 | 4 | 24 |
15 | 44 | 429 | 246 | 358 | 313 | 50 | - | - | 225 | 257 | 4 | 24 |
20 | 54 | 454 | 263 | 358 | 322 | 54 | - | 201 | 281 | 275 | 5 | 24 |
30 | 60 | 540 | 307 | 419 | 377 | 63 | - | 236 | 328 | 321 | 5 | 30 |
50 | 70 | 686 | 391 | 533 | 480 | 80 | - | 256 | 394 | 409 | 6 | 36 |
75 | 82 | 829 | 475 | 648 | 583 | 97 | - | 311 | 478 | 497 | 6 | 42 |
100 | 89 | 925 | 559 | 762 | 686 | 114 | 330 | 522 | 597 | 584 | 7 | 48 |
125 | 92 | 2057 | 604 | 823 | 741 | 123 | 357 | 564 | 645 | 631 | 7 | 48 |
150 | 98 | 1153 | 659 | 899 | 809 | 135 | 390 | 616 | 704 | 689 | 7 | 56 |
200 | 111 | 1270 | 726 | 991 | 892 | 149 | 396 | 614 | 755 | 759 | 8 | 56 |
Dimension may vary according to different mold.
Material: Cast Iron, cast steel and ductile iron(Spheroidal Graphite)
Mounting Hardware: Galvanized Grade 8.8 bolts, nuts and washers
Surface and Paint: Fully painted or with rust preventative primer
Hot Tags: Single Bitt Bollards, Bollard Ship, Marine Machinery, Mooring Bitts, Pier Bollard, Us Style Pillar Bollards, Mooring Of A Ship, Marine Lng Safety, Port Mooring Bollard, China, Customized, OEM, manufacturing company, manufacturers, suppliers, factory, for sale, price, made in China

SWL (Ton) | Dimension(mm) | Bolts | ||||||||||
A | B | C | D | E | F | G | H | I | J | NO. | Dia. | |
10 | 44 | 390 | 224 | 325 | 284 | 46 | - | - | 205 | 234 | 4 | 24 |
15 | 44 | 429 | 246 | 358 | 313 | 50 | - | - | 225 | 257 | 4 | 24 |
20 | 54 | 454 | 263 | 358 | 322 | 54 | - | 201 | 281 | 275 | 5 | 24 |
30 | 60 | 540 | 307 | 419 | 377 | 63 | - | 236 | 328 | 321 | 5 | 30 |
50 | 70 | 686 | 391 | 533 | 480 | 80 | - | 256 | 394 | 409 | 6 | 36 |
75 | 82 | 829 | 475 | 648 | 583 | 97 | - | 311 | 478 | 497 | 6 | 42 |
100 | 89 | 925 | 559 | 762 | 686 | 114 | 330 | 522 | 597 | 584 | 7 | 48 |
125 | 92 | 2057 | 604 | 823 | 741 | 123 | 357 | 564 | 645 | 631 | 7 | 48 |
150 | 98 | 1153 | 659 | 899 | 809 | 135 | 390 | 616 | 704 | 689 | 7 | 56 |
200 | 111 | 1270 | 726 | 991 | 892 | 149 | 396 | 614 | 755 | 759 | 8 | 56 |
Dimension may vary according to different mold.
Material: Cast Iron, cast steel and ductile iron(Spheroidal Graphite)
Mounting Hardware: Galvanized Grade 8.8 bolts, nuts and washers
Surface and Paint: Fully painted or with rust preventative primer
Hot Tags: Single Bitt Bollards, Bollard Ship, Marine Machinery, Mooring Bitts, Pier Bollard, Us Style Pillar Bollards, Mooring Of A Ship, Marine Lng Safety, Port Mooring Bollard, China, Customized, OEM, manufacturing company, manufacturers, suppliers, factory, for sale, price, made in China